散熱風扇
熱門新聞
-
產品詳情
-
聯系我們
散熱風扇JXJ5020D1H-B基本參數 | ||
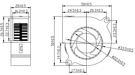
| 尺 寸: | 50×50×20 MM | |
| 額定電壓: | DC 12.0 V | |
| 額定電流: | 0.23 A | |
| 額定轉速: | 5500 RPM | |
| 額定功率: | 2.76 W | |
| 最大風量: | 6.12 CFM | |
| 最大風壓: | 17.7 mmH2O | |
| 噪 音: | 37.4 dB-A | |
| 散熱風扇JXJ5020D1H-B曲線 | 散熱風扇JXJ5020D1H-B尺寸圖 |
![]() | ![]() |
同型號其他參數
| MODEL | Rated Voltage | Operatig Voltage Range | Rated Current | Rated Input Power | Speed | Maximum Air Flow | Maximum Air Pressure | Node | ||
| 型號 | 額定電壓 | 工作電壓范圍 | 額定電流 | 額定輸出功率 | 轉速 | 最大風量 | 最大風壓 | 噪音 | ||
| PART NO. | V DC | V DC | A mp | Watt | R.P.M | m3/min | CFM | mmH2O | INH2O | dB-A |
| JXJ5020D5L-B | 5 | 4.3-5.4 | 0.33 | 1.65 | 4000 | 0.15 | 5.21 | 9.61 | 0.38 | 27 |
| JXJ5020D1L-B | 12 | 7.0-13.6 | 0.14 | 1.68 | 4000 | 0.15 | 5.21 | 9.61 | 0.38 | 27 |
| JXJ5020D2L-B | 24 | 18-26.5 | 0.07 | 1.68 | 4000 | 0.15 | 5.21 | 9.61 | 0.38 | 27 |
| JXJ5020D5M-B | 5 | 4.3-5.4 | 0.40 | 2.0 | 5000 | 0.17 | 5.86 | 16.23 | 0.64 | 35 |
| JXJ5020D1M-B | 12 | 7.0-13.6 | 0.19 | 2.28 | 5000 | 0.17 | 5.86 | 16.23 | 0.64 | 35 |
| JXJ5020D2M-B | 24 | 18-26.5 | 0.11 | 2.64 | 5000 | 0.17 | 5.86 | 16.23 | 0.64 | 35 |
| JXJ5020D1H-B | 12 | 7.0-13.6 | 0.23 | 2.76 | 5500 | 0.18 | 6.12 | 17.73 | 0.70 | 37.5 |
| JXJ5020D2H-B | 24 | 18-26.5 | 0.15 | 3.6 | 5500 | 0.18 | 6.12 | 17.73 | 0.70 | 37.5 |
辛苦您了,您看到這里了怎么還沒有看到散熱風扇都沒有什么功能(防潮、溫控 等)選擇的嗎?不要著急,公司給您來個非常詳細的功能介紹。請點擊風扇功能
備注
如果您需要找的扇熱風扇型號或者是需要特殊的型號參數,我司可以給您方案設計,讓您更加放心省事。請聯系我們業務!如果這個型號不合適您,也可以直接點擊產品中心哦!
業務電話:18207676655
傳真:0755-23033850
聯系人:曾先生
地址:深圳市龍華新區觀瀾街道松元上圍新村51號




銷售咨詢-1